简介
汽车电气化推动了电子保险丝“eFuse”取代机械继电器和熔断器,以实现更紧凑、更高效的解决方案。NIV3071 eFuse 可保护下游电路免受过流、过温和接地短路事件的影响,并可通过开漏 FAULT 引脚提供故障指示器。该器件具有四个集成高侧通道,可以通过 EN 引脚独立控制,也可以并联在一起以用于更大的负载。该器件具有可配置的电流限制功能和导通时间,可支持多种负载。
汽车应用中的 NIV3071
在汽车应用中使用 NIV3071 有几个优势。该器件采用 6x5 mm 封装,与机械继电器和熔断器等传统解决方案相比,大大减少了所需的电路板面积。与这些传统解决方案相比,eFuse 在发生故障时无需更换,因为其保护功能将同时保护器件和负载,从而在整个车辆中实现分布式区域控制架构。该器件有两个版本:锁存型和自动重试型。如果发生故障,锁存器件将锁闭,直到通过切换 EN 引脚或功率循环发送命令为止。自动重试器件将等待 3 ms,如果进入热关断保护,则会等待足够冷却芯片的时间,然后再尝试重新导通。
与传统保险丝相比,NIV3071 的另一个优势是在发生故障时,其短路响应时间非常快,仅为 6 s。与图 1 所示的传统保险丝相比,这分别降低了峰值电流和功耗,对任何相关线束的峰值电流和额定功率都有益。此外,快速响应时间可防止输入电源电压骤降,从而保护任何安全攸关的负载以及使用同一电源的其他负载,如图 2 所示。

图 1.左侧插片式保险丝,中心 PTC,右侧 NIV3071 eFuse

图 2.同一电源上有多个 eFuse
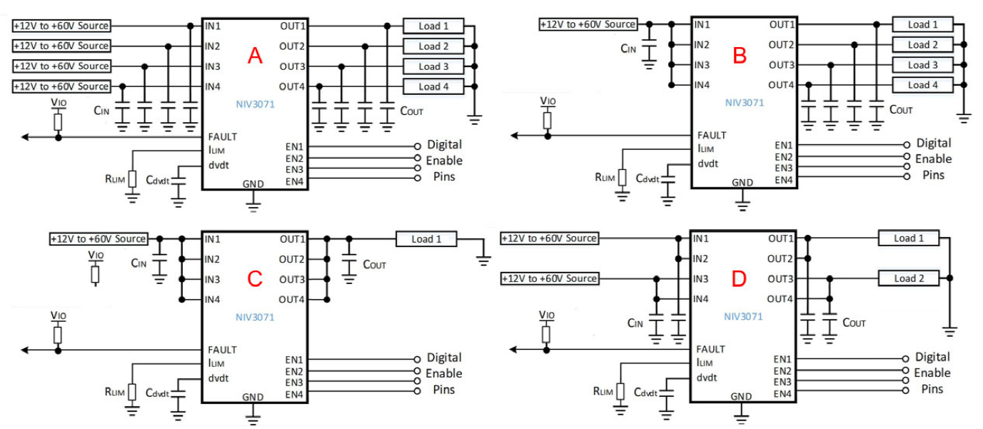
NIV3071 由四个集成通道组成,可以独立驱动,也可以并联在一起,以提供更多负载电流,如图 3 所示。输入可以由不同的电源或公共电源供电。凭借这种灵活性,NIV3071 可以通过同一器件轻松支持 48 V 和 12 V 负载。这在汽车应用中非常有利,因为通过一个器件即可保护 ECU(电子控制单元)中的 48 V 和 12 V 负载。

图 3.NIV3071 的配置
该器件应与稳压电源搭配使用。由于该器件具有 UVLO 功能且无反向电流保护,因此不建议用在需要冷启动和抛负载(负载突降)的其他汽车应用。
动态特性和注意事项
导通时序
NIV3071 具有受控导通功能,可以通过导通延迟时间 (Tdly(On)) 和导通时间 (tRAMP(On)) 进行描述,如图 4 所示:

图 4.NIV3071 的导通时序
导通延迟时间定义为 EN 引脚达到其最大值的 90% 到输出端达到标称电压的 10% 之间的时间。导通时间定义为输出端达到标称电压的 10% 至 90% 之间的时间。如果 EN 引脚上出现任何瞬时电压尖峰,或者微控制器在加电时发送正确逻辑信号略有延迟,则导通延迟时间会用作去毛刺滤波器,以确保在预期导通时间安全启动负载。
导通时间功能可以通过外部电容进行配置。要正确使用导通时间功能,必须考虑负载类型。虽然对于容性负载来说,增加导通时间有助于减少浪涌电流尖峰,但对于阻性负载,随着输出电压上升,消耗的电流将持续增加。由于该直流电流和延长的输出导通时间会导致在器件上产生电压梯度,器件将消耗大量功率,并可能在器件完全导通之前进入热关断状态以保护芯片。这取决于输入电压、输出电压导通时间、负载电流曲线和环境温度。
浪涌电流控制
NIV3071 和安森美 (onsemi) 的其他 eFuse 具有浪涌电流控制功能,可限制导通容性负载时出现的峰值电流。该功能由一个外部引脚控制,该引脚可以保持开路,或者在 dvdt 引脚和地之间使用一个较小值的陶瓷电容。通过向该引脚添加电容,可以延长输出导通时间,从而降低峰值电流,可以表示为:
以下关系式可用于控制给定 Cload 下的峰值电流:

图 5.导通时间与 dv/dt 引脚电容的关系
使用上述公式和图 5,用户可以设置导通容性负载时的最大浪涌电流。下面的图 6 和图 7 提供了一个测试用例:

图 6.浪涌电流控制测试用例

图 7.测试用例的测量结果
大容性负载和肖特基二极管
对于较大的容性负载(和低电流直流负载),可以在输出和输入之间放置一个肖特基二极管,如图 8 所示,以在器件关断时保护 eFuse 的体二极管免受过大反向电流的影响。一旦输入电压降至 UVLO 以下,器件就会关断,由于输出电容在完全放电之前维持输出电压,这会在器件上产生反向电压。与此同时,负电压对肖特基二极管进行偏置,提供了在器件周围放电的路径,如图 9 中的测量结果所示。

图 8.使用肖特基二极管防止反向电流情况

图 9.测量流经器件和外部肖特基二极管的电流
关闭感性负载
在输出端发生接地短路或过流故障事件期间,NIV3071 可快速关断以同时保护器件和下游电路。如果电源路径中存在很大的电感(例如电缆),则快速关断将导致电压尖峰超过器件的额定电压。为了缓解这些电压尖峰,可以使用多种选项。可以在输入和接地端之间放置一个 TVS 二极管,而肖特基二极管可以作为续流二极管与负载并联放置。此外,RC 缓冲电路可与负载并联使用。如果具体应用中的预期电感超过 5 uH,则强烈建议使用外部肖特基二极管或缓冲器。
总结
随着汽车市场的电气化趋势不断升级,且 48 V 系统越来越普及,NIV3071 在汽车应用中具有诸多优势。
原文标题:NIV3071 eFuse 在汽车应用中的优势
文章出处:【】欢迎添加关注!文章转载请注明出处。
相关推荐
NIV3071 eFuse 在汽车应用中的优势