如今,碳化硅 (SiC) 器件在电动汽车 (EV) 和太阳能光伏 (PV) 应用中带来的性能优势已经得到了广泛认可。不过,SiC 的材料优势还可能用在其他应用中,其中包括电路保护领域。本文将回顾该领域的发展,同时比较机械保护和使用不同半导体器件实现的固态断路器 (SSCB) 的优缺点。最后,本文还将讨论为什么 SiC 固态断路器日益受到人们青睐。
保护电力基础设施和设备
输配电系统以及灵敏设备都需要妥善的保护,以防因为长时间过载和瞬态短路情况而受到损坏。随着电力系统和电动汽车使用的电压越来越高,可能的最大故障电流也比以往任何时候都更高。为了针对这些高电流故障提供保护,我们需要超快速交流和直流断路器。过去,机械断路器一直是此类应用的主要选择,然而随着工作要求越来越严苛,固态断路器越来越受到欢迎。相较于机械断路器,固态断路器具有许多优势:
· 稳健性和可靠性:机械断路器内含活动部件,因此相对易于受损。这意味着它们容易损坏或因为运动而意外自动断开,并且在使用期间,每次复位都会出现磨损。相比之下,固态断路器不含活动部件,因此更加稳健可靠,也不太容易出现意外损坏,因此能够反复进行数千次断开/闭合操作。
· 温度灵活性:机械断路器的工作温度取决于其制造材料,因此在工作温度方面存在一定的限制。相比之下,固态断路器的工作温度更高并且可以调节,因此它能够更加灵活地适应不同的工作环境。
· 远程配置:机械断路器在跳闸后需要人工手动复位,这可能非常耗时且成本高昂,特别是在多个安装点进行大规模部署的情况下,另外也可能存在安全隐患。而固态断路器则可以通过有线或无线连接进行远程复位。
· 开关速度更快且不会产生电弧:机械断路器在开关时可能会产生较大的电弧和电压波动,足以损坏负载设备。固态断路器采用软启动方法,可以保护电路不受这些感应电压尖峰和电容浪涌电流的影响,而且开关速度要快得多,在发生故障时只需几毫秒即可切断电路。
· 灵活的电流额定值:固态断路器具有可编程的电流额定值,而机械断路器则具有固定的电流额定值。
· 尺寸更小、重量更轻:相较于机械断路器,固态断路器重量更轻、体积更小。
现有固态断路器的局限性
虽然固态断路器相较于机械断路器具有多项优势,但它们也存在一些缺点,具体包括电压/电流额定值受限制、导通损耗更高且价格更贵。通常,对于交流应用,固态断路器基于可控硅整流器 (TRIAC),而对于直流系统,则基于标准平面 MOSFET。TRIAC 或 MOSFET 负责实现开关功能,而光隔离驱动器则用作控制元件。然而,在具有高输出电流的情况下,基于 MOSFET 的高电流固态断路器需要使用散热片,这就意味着它们无法达到与机械断路器相同的功率密度水平。
同样地,使用绝缘栅双极晶体管 (IGBT) 实现的固态断路器也需要散热片,因为当电流超过几十安培时,饱和电压会导致过多的功率损耗。举例来说,当电流为 500 安培时,IGBT 上的 2V 压降会产生高达 1000W 的功率损耗。对于同等功率水平,MOSFET 需要具有约 4 mΩ 的导通电阻。随着电动汽车中器件的电压额定值朝着 800V(甚至更高)发展,目前没有单一器件能够实现这一电阻水平。虽然理论上可以通过并联多个器件来实现该数字,但这样的做法会显著增加方案的尺寸和成本,尤其是在需要处理双向电流的情况下。
使用 SiC 功率模块打造下一代固态断路器
与硅芯片相比,SiC 芯片在相同额定电压和导通电阻条件下,尺寸可以缩小多达十倍。此外,与硅器件相比,SiC 器件的开关速度至少快 100 倍,并且它可以在高达两倍以上的峰值温度下工作。同时,SiC 具有出色的导热性能,因此在高电流水平下具有更好的稳健性。安森美利用 SiC 的这些特性开发了一系列 EliteSiC 功率模块,其 1200V 器件的导通电阻低至 1.7mΩ。这些模块在单个封装中集成了两到六个 SiC MOSFET。
烧结芯片技术(将两个独立芯片烧结在一个封装内)甚至在高功率水平下也能提供可靠的产品性能。由于具备快速开关行为和高热导率,因此该类器件可以在故障发生时快速而安全地“跳闸”(断开电路),阻止电流流动,直到恢复正常工作条件为止。这样的模块展示了越来越有可能将多个 SiC MOSFET 器件集成到单个封装中,以实现低导通电阻和小尺寸,从而满足实际断路器应用的需求。此外,安森美还提供承受电压范围为 650V 到 1700V 的 EliteSiC MOSFET 和功率模块,因此这些器件也可用于打造适合单相和三相家庭、商业和工业应用的固态断路器。安森美具有垂直整合的 SiC 供应链,能够提供近乎零缺陷的产品,这些产品经过全面的可靠性测试,能够满足固态断路器制造商的需求。

图 1:安森美完整的端到端碳化硅 (SiC) 供应链
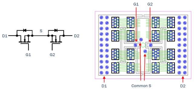
下图展示了固态断路器的模块化实现方式,其中以并联配置连接多个 1200V SiC 芯片和多个开关来实现了极低的 rdson 和优化的散热效果。下方这些完全集成的模块具有优化的引脚位置和布局,有助于减少寄生效应,提高开关性能和缩短故障响应时间。安森美提供丰富多样的 SiC 模块产品组合,模块额定电压为 650V、1200V 和 1700V,并且其中一些模块带有底板,而另一些则无底板,以便满足不同的应用需求和效率需求。

图 2:适用于固态断路器的 SiC B2B 模块- 480VAC -200A

图 3:适用于固态断路器应用的安森美模块
SiC 技术和固态断路器将共同发展
机械断路器具有低功率损耗和更高的功率密度,目前价格也低于固态断路器。另外,机械断路器容易因为反复使用而发生磨损,并且复位或更换会产生昂贵的人工维护成本。随着电动汽车的日益普及,市场对断路器和 SiC 器件的需求将持续增长,因此这种宽禁带技术的成本竞争力会日益增强,并且其对固态断路器方案的吸引力也会不断增加。随着 SiC 工艺技术的不断进步和独立 SiC MOSFET 的电阻进一步降低,固态断路器的功率损耗最终会达到与机械断路器相媲美的水平,那时功率损耗将不再是个问题。基于 SiC 器件的固态断路器具备开关速度快、无电弧以及零维护等优势,能够带来显著的成本节约,因此必将成为市场广泛采用的主流选择。
原文标题:如何利用碳化硅打造下一代固态断路器
文章出处:【】欢迎添加关注!文章转载请注明出处。
相关推荐
如何利用碳化硅打造下一代固态断路器